Interface: IO,Uart
Channel: 1 channel
Communication: One-way
Open distance(km): 4~5
Size (mm):49.5*32.2(TX) 82*45(RX)
The electrical parameters of SK200-TX module are as follows:
| Model | SK200-TX-100mW |
| Transmit power | 20dBm |
| Working voltage (range) | 5V(3.3V~6.5V) |
| Sleep current | 200uA |
| Quiescent Current | 15mA |
| Emission current | 130mA |
| Size (mm) | 49.5*32.2*3.2 |
| Range of working temperature | -40℃~85℃ |
The electrical parameters of SK200-RX module are as follows:
| Parameter | Smallest | Typical | Largest | Unit | Condition |
| Operating Conditions | |||||
| Working voltage range | 5 | 12 | 30 | V | |
| Relay load | < 10 | A | @220V | ||
| Radio Frequency Parameter | |||||
| Receive current | < 10 | mA | @12V | ||
| Receiving sensitivity | -132 | dBm | |||
| Interface | I/O,Uart |
| Channel | 1 channel |
| Communication | One-way |
| Open distance (km) | 9~10 |
The interface description of the receiver module SK200-RX is shown in the following figure:

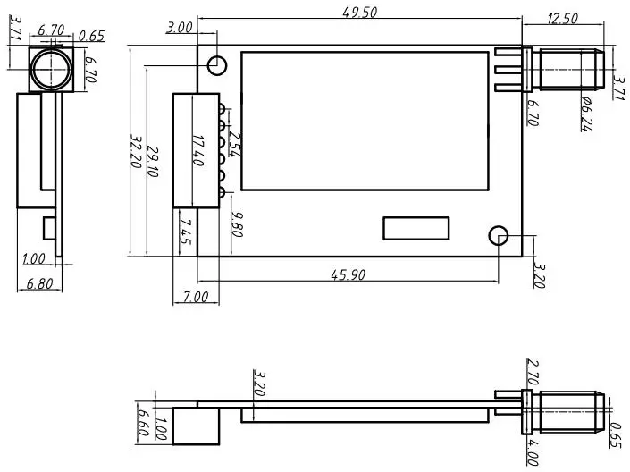
The interface description of the transmitter module SK200PRO-TX is shown in the following figure:
SK200-TX-100mW:

| Pin definition | Description |
| VCC | Connect to positive pole |
| GND | Ground |
| TXD | For configuration mode parameter setting |
| RXD | For configuration mode parameter setting |
| SET | Configuration parameter enable (low level enable parameter configuration, default high level output) |
| CS | Switch signal input pin (with internal pull-up) |
Transmitter module
SK200PRO-TX-100mW

Receiver module SK200-RX

Privacy Policy
· Privacy Policy
There is currently no content available
Email:sales@nicerf.com
Tel:+86-755-23080616