Type: Wireless Audio
Certification: Others
Output Power: 1W
Size (mm):39.3*24.0
SA618F30-C1 is an upgraded, cost-effective, high-integration, high-power full-duplex intercom module from NiceRF. It features a built-in high-speed microcontroller, audio Codec, echo cancellation circuit, ESD protection, high-performance RF chip, and amplifier. The module provides a standard serial port for communication, allowing users to easily configure parameters and control transmission and reception functions. By connecting an audio amplifier, microphone, and speaker, it can function as a compact intercom. Its simplified interface and ultra-compact size make it suitable for various applications, enabling seamless integration into handheld devices to enhance the overall performance of terminal products.
SA618F30-C1 full-duplex intercom module supports 8 users for simultaneous high-quality calls, featuring 8-channel concurrent functionality with unlimited reception, ensuring each user enjoys an excellent audio experience. Audio quality during 8-channel concurrent use is much better than other similar products.
SA618F30-C1 is produced and tested using lead-free processes, complying with RoHS and REACH standards.
Parameter | Test Conditions | Min. | Typ. | Max. | Unit |
Operating voltage | 3.3 | 4.2 | 5.5 | V | |
working temperature | -30 | 25 | 70 | ℃ | |
Current consumption | |||||
Sleep current | 10 | 20 | uA | ||
RX current | @ No audio output | 50 | 55 | mA | |
TX current | 4v,@30dBm | 160 | mA | ||
RF parameter | |||||
Operating frequency | UHF | 410 | 480 | MHz | |
Customizable frequency | 150 | 960 | MHz | ||
Default shipping frequency | UHF ( 1MHz interval) | 440.125 | 455.125 | MHz | |
Transmit power | @5V | 16 | 32 | dBm | |
Bandwidth(BW) | 500 | KHz | |||
Receiving sensitivity | -117 | dBm | |||
Audio parameters | |||||
Modulation sensitivity | 10 | 100 | mV | ||
Receive signal-to-noise ratio(SNR) | 90 | dB | |||
Frequency response | 60 | 3800 | Hz | ||
Audio output(line out) | Load 16 Ω | 40 | mW | ||
8 channels | 160 | 200 | 240 | ms | |
Features
High integration and small size
Applications
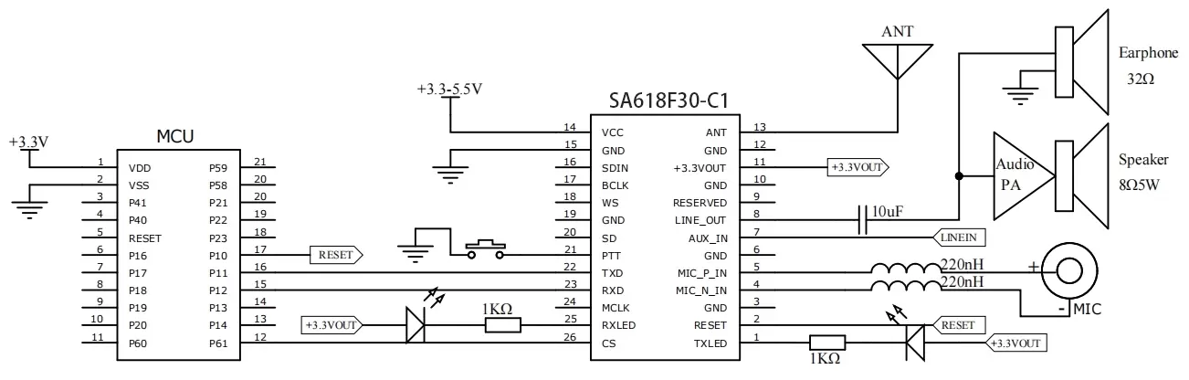
Analog input & output application circuit

I2S Input & output application circuit


Pin NO. | Pin name | I/O | Description |
1 | TXLED | O | Transmitting indicator, connected with external led, turn on by low level output when data or voice is transmitting, (suggest 1K ohm resistor for current limitation) |
2 | RST | I | Module reset pin, externally pull down for more than 5ms will reset the module |
3, 6, 10, 12,15,19 | GND | Ground | |
4 | MIC_N_IN | I | Negative electrode of external microphone, serial connected with 220 nH inductance, refer to below typical circuit. |
5 | MIC_P_IN | I | Positive electrode of external microphone, serial connected with 220 nH inductance, refer to below typical circuit. |
7 | Aux_IN | I | External audio input signal, maximum 1 VRMS |
8 | LINE_OUT | O | External 16-ohm headphones can be connected, requiring an additional LC low-pass filter circuit to eliminate RF interference. Refer to the typical circuit. |
9 | Reserved | Module test pins should be left unconnected by the user. | |
11 | +3.3V Out | O | 3.3v regulator out, maximum 50mA loading |
13 | ANT | Connected with 50ohm Antenna | |
14 | VCC | Power supply ( 3.3 – 5.5V ) | |
16 | SDIN | I | Connected with External I2S device, ( 0 – 3.3V ) |
17 | BCLK | O | |
18 | WS | O | |
20 | SD | O | |
21 | PTT | I | module transmit pin is pulled low to enter transmit mode, with an internal pull-up resistor, defaulting to a high-level output |
22 | TXD | O | Serial transmit pin (voltage 0-3.3V) |
23 | RXD | I | Serial receive pin (voltage 0-3.3V) |
24 | MCLK | O | Connected with External I2S device (0-3.3V) |
25 | RXLED | O | Receiving indicator, connected with external led, turn on by low level output when data or voice received, (suggest 1K ohm resistor for current limitation) |
26 | CS | I | module sleep pin operates at high level for normal function and low level for sleep mode. It has an internal pull-up resistor, defaulting to high level |

Privacy Policy
· Privacy Policy
There is currently no content available
Email:sales@nicerf.com
Tel:+86-755-23080616