Certification: Others
Modulation: LoRa
Chip: LR1120
Interface: SPI
Output Power: 160mW
Frequency: 433MHz,470MHz,868MHz,915MHz,1.9GHz,2.4GHz
Size (mm):19.72*15
The LoRa2021F3-2G4 is a transceiver module based on SEMTECH's LR2021 chip, which integrates the 4th-generation LoRa IP core and supports operation in the Sub-GHz and 1.9-2.5GHz ISM bands, the L-band, and licensed S-band frequencies, making it suitable for both terrestrial and satellite communication (SATCOM) networks.
In addition, the Lora2021F33-2G4 features extended physical-layer modulation capabilities to support Fast Long-Range Communication (FLRC). When integrated with third-party protocol stacks, it is compatible with a wide range of low-power wireless protocols, including Amazon Sidewalk, Wireless M-BUS, Wi-SUN FSK, and Z-Wave. The LoRa2021F33-2G4 is manufactured and tested using strictly lead-free processes and is fully compliant with RoHS and REACH standards.
Parameters | Test condition | Min. | Typ. | Max | Unit |
Voltage Range | 3.0 | 5 | 5.5 | V | |
Operating Temperature | -40 | 25 | 85 | ℃ | |
Maximum Input Signal | 10 | dBm | |||
Current Consumption | |||||
Transmit Current | @433MHz, 5V, 2W | < 1200 | mA | ||
@868/915MHz,5V,1W | < 800 | mA | |||
@2.4GHz,5V, 1W TxPower=5 | < 900 | mA | |||
Receive Current | @Sub-GHz | < 8 | mA | ||
@2.4G bypass ON | < 9 | mA | |||
@2.4G bypass OFF | <42 | mA | |||
Sleep Current | @3.3V | <20 | uA | ||
RF Parameters | |||||
Frequency Range | @433MHz | 410 | 450 | MHz | |
@470MHz | 470 | 510 | MHz | ||
@868MHz | 800 | 880 | MHz | ||
@915MHz | 890 | 950 | MHz | ||
Transmit Power Adjustable Range | @Sub-GHz@433MHz | 18 | 31 | dBm | |
@Sub-GHz@868MHz | 10 | 31 | dBm | ||
@Sub-GHz@915MHz | 8 | 30 | dBm | ||
@1.9-2.5GHz | 11 | 30 | dBm | ||
Transmit Power Output | @433/470MHz | 31.5 | 33 | 34 | dBm |
@868/915MHz | 28.5 | 30 | 31 | dBm | |
@1.9-2.5GHz | 28.5 | 30 | 31 | dBm | |
Receive Sensitivity | BW=62.5KHz,SF=12 @Sub-GHz | -143 | dBm | ||
BW=125KHz,SF=10 @Sub-GHz | -136 | dBm | |||
BW=125KHz,SF=10 @2.4GHz, Bypass ON | -124 | dBm | |||
BW=125KHz,SF=10 @2.4GHz, Bypass OFF | -136 | dBm | |||
Frequency Error | 0.5 | ppm | |||
Modulation Rate (@Sub-GHz) | @LoRa | 0.0458 | 125 | Kbps | |
@FSK | 0.2 | 2000 | Kbps | ||
Modulation Rate (@2.4GHz) | @LoRa | 0.476 | 101.5 | Kbps | |
Note: For 2.4G LNA (DIO5), set to high level normally (Bypass off). Setting it to low level will reduce sensitivity by 12 dB (Bypass on).
Sub-GHz Bands: 433/470MHz 2W
Sub-GHz Bands: 868/915MHz 1W
(Customizable range: 150~960 MHz)
1.9-2.5GHz band: 1W
1.9-2.5GHz sensitivity: up to-136dBm
@ BW=125KHz, SF=10
Sub-GHz sensitivity: up to -144dBm
@BW=62.5 KHz, SF=12
Built-in electrostatic protection circuit
Supports LR-FHSS
FLRC: modulation rate up to 2.6 Mbps
LoRa: modulation rate up to 125 kbps
4th Generation LoRa IP technology
Simultaneous reception with multiple Spreading Factors (SF)
Enhanced CAD (Channel Activity Detection)
Higher frequency offset tolerance (for harsh RF environments):
Supports multiple communication protocols:
LoRa / LoRaWAN® (Sub-GHz + 2.4GHz)
Bluetooth® LE 5.0
IEEE® 802.15.4 (Thread®/Zigbee™)
Wi-SUN, Wireless M-BUS, Z-Wave, etc.
Transmission distance: >10km at Sub-GHz in open area
Sleep current < 20µA
Small size, stamp hole design
Drones/UAV Applications
Smart home/Smart agriculture
Remote irrigation
Industrial manufacturing


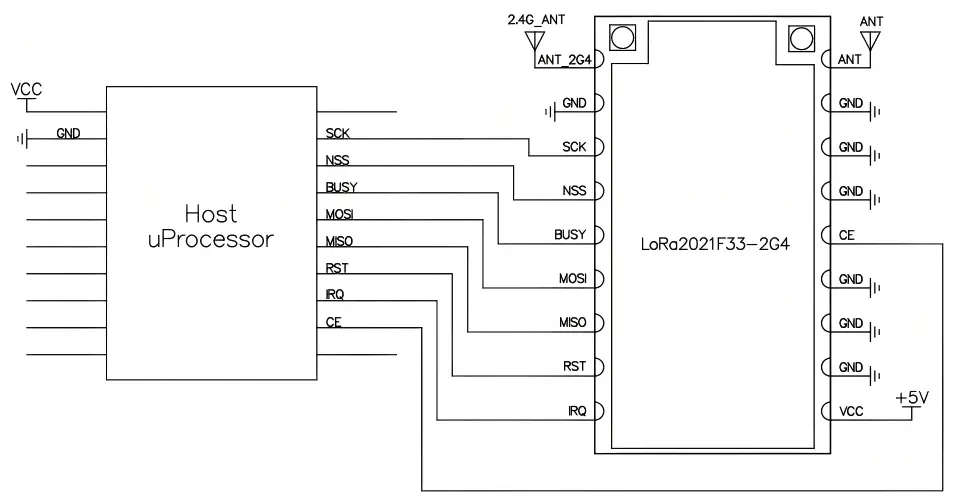
Pin NO. | Pin name | I/O | IO Voltage | Description |
1 | VCC | Connect to the positive power supply. | ||
2,3,4,6, 7,8,11 | GND | Connect to the negative power supply. | ||
5 | CE | I | 0-5.5V | Internal LDO Enable Control Pin: Operation: Drive high or leave floating (internal pull-up ensures high). Sleep Mode: Connect to ground. |
9 | ANT | Sub-GHz Antenna Port, External 50Ω Antenna | ||
10 | ANT-2G4 | 2.4 GHz Antenna Port, External 50Ω Antenna | ||
12 | SCK | I | 0-3.3V | SPI clock input |
13 | NSS | I | 0-3.3V | SPI chip select input |
14 | BUSY | O | 0-3.3V | Used for status indication, refer to the chip datasheet for details. |
15 | ANTA MOSI | I | 0-3.3V | SPI data input |
16 | MISO | O | 0-3.3V | SPI data output |
17 | RESET | I | 0-3.3V | Reset trigger input, refer to the chip datasheet for details. |
18 | IRQ | O | 0-3.3V | Multipurpose digital interface, refer to the chip datasheet for details. |

Privacy Policy
· Privacy Policy
There is currently no content available
Email:sales@nicerf.com
Tel:+86-755-23080616